Ford Mustang (1999-2004) Service Manual: Component Test
Windshield Wiper Motor
CAUTION: Do not handle the wiper motor abusively when diagnosing the wiper operations. Failure to follow this caution may result in damage to the motor magnets and will make the wiper motor inoperative. Rough handling of new replacement wiper motors may also damage the motor magnets.
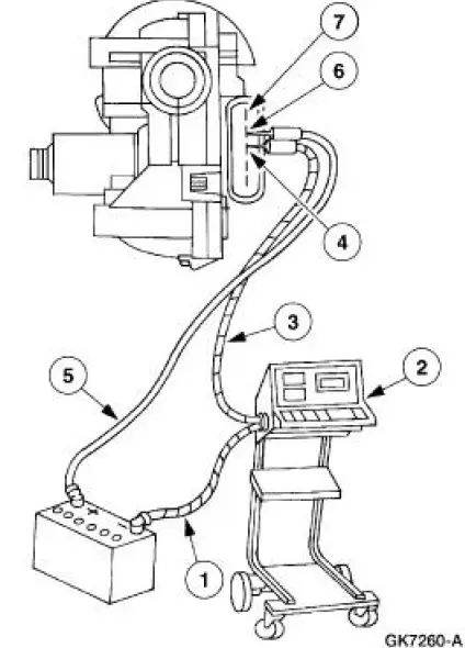
Use Alternator, Regulator, Battery and Starter Tester (ARBST) to test the wiper motor on the vehicle.

To test the wiper motor, disconnect the windshield wiper mounting arm and pivot shaft from the windshield wiper motor; refer to Pivot Arm .
Disconnect the wiper motor. Connect the (1) green lead from (2) (ARBST) to the battery negative (-) post. Connect the (3) red lead from ARBST to the wiper motor (4) common brush terminal (terminal 3).
Test the low speed mode by connecting a (5) cable from the battery positive (+) post to the (6) low speed brush terminal (terminal 4) and measure the current draw. If the current draw is greater than 3.5 amperes, install a new windshield wiper motor.
Test the high speed mode by connecting a cable from the battery positive (+) post to the (7) high speed brush terminal (terminal 5) and measure the current draw. If the current draw is greater than 5.5 amperes, install a new wiper motor.
Pinpoint Tests
CAUTION: Before removing and installing the GEM or its connectors,
disconnect the
battery. Failure to follow this caution will result in the GEM storing many
erroneous DTCs and it
may exhibit errati ...
Wiper Blade and Pivot Arm Adjustment
1. Cycle and park the windshield wipers.
2. Verify that the distance between the center of the RH windshield
wiper blade and the top edge
of the cowl top vent panel is within specification.
...
Other materials:
Washer Pump
Removal
1. Remove the LF wheel and tire. Refer to Section.
2. Position the front portion of the LF inner splash shield aside.
3. WARNING: Windshield washer solution contains methanol, which is
poisonous.
Observe all cautions and warnings indicate ...
Parking Brake Control
Removal
1. CAUTION: If any component in the parking brake system requires
repair or if the
rear axle housing (4010) is removed, the cable tension must be released.
Place the parking brake control (2780) in the released position.
2. Remove the console.
3. ...
Key Programming - Enable/Disable Spare Key
Programming
Special Tool(s)
Worldwide Diagnostic System
(WDS)
418-F224,
New Generation STAR (NGS)
Tester
418-F052, or equivalent
diagnostic tool
NOTE: The spare key programming switch is a diagnostic tool programmable
switch that provides the
ca ...
